[LAB] FA: Elektor abril 1983 - El circuito
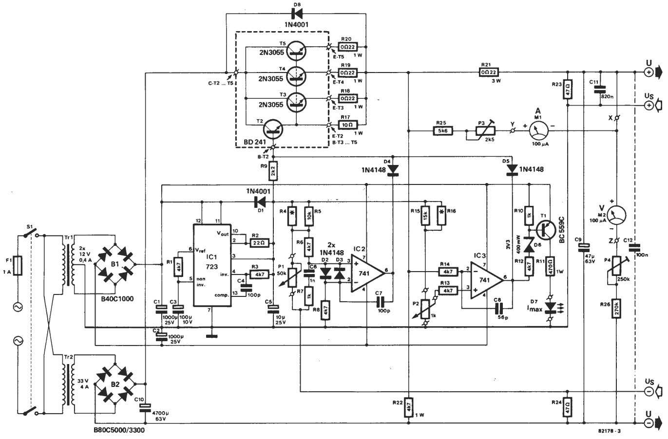
Después de tanta teoría, vamos a abordar su aplicación práctica. El circuito de la fuente de alimentación, mostrado en la figura 3, tiene dos fuentes de alimentación independientes (¡si ello tiene sentido!).
- La potencia para la etapa de salida la proporciona el transformador Tr2.
- El transformador Tr1 proporciona potencia para la fuente de referencia y los amplificadores operacionales.
- Esta última alimentación está constituida por Tr1 un rectificador en puente B1 y dos condensadores C1 y C2.
- La tensión de referencia es suministrada por el inevitable estabilizador integrado del tipo 723 (IC1). Los componentes asociados a este circuito integrado se eligieron para proporcionar una tensión de referencia de
7,15 V. Esta última aparece en la unión de R4/R5, R15/R16 y R9. - Para facilitar la comprensión, cabe destacar que R4/R5 representa a R e IC2 corresponde a A1 en el diagrama teórico de la figura 2.
- La entrada inversora del amplificador operacional está conectada al cero de la alimentación auxiliar a través de R8.
- El cero de la alimentación auxiliar está conectado a la línea de salida positiva a través de R23.
- Las resistencias R6 y R8 y los diodos D2 y D3 protegen las entradas del amplificador operacional contra, por ejemplo, una sobretensión en las salidas de la alimentación.
- La salida de IC2 controla la etapa de salida de potencia, que está constituida por los transistores T3, T4 y T5, proporcionando la corriente de excitación de base para el transistor T2.
- Los transistores T3…T5 están conectados en paralelo y sus salidas están combinadas, a través de resistencias de emisor, para proporcionar la salida de la fuente de alimentación a través de R21. Esta última resistencia es la contrapartida práctica de RS de la figura 2. El empleo de tres transistores 2N3055, en esta configuración, proporciona una etapa de potencia económica que puede suministrar hasta 3 amperios… y con toda facilidad.
- La tensión a través de R21 se compara en IC3 con un nivel de tensión determinado por la posición de P2; esta última tensión es obtenida mediante R15/R16, a partir de la tensión de referencia.
- La salida del amplificador operacional IC3 está conectada, como la de IC2, a la base de T2 a través de un diodo D5.
- Cuando la corriente de salida supere el valor ajustado con la ayuda de P2, IC3 reduce la corriente de base de T2 hasta que se restablezca el equilibrio.
- El circuito basado en T1 indica la puesta en funcionamiento del dispositivo limitador de corriente, con la iluminación del diodo LED D7.
La salida de potencia propiamente dicha es alimentada a partir de un transformador distinto, con un rectificador y un condensador propios. Hay también un circuito de visualización con dos galvanómetros y algunas resistencias.
Dicho esto, quedan todavía algunos puntos de detalle a dilucidar.
- Comencemos por el condensador C3. Este componente sirve para dos funciones.
- Reduce cualquier ruido producido por el diodo Zener interno del 723 y también proporciona un «arranque lento» para la alimentación de la tensión de referencia.
- Ello significa que cuando se ponga bajo tensión la fuente, es preciso dejar un cierto tiempo para que se «equilibren» los amplificadores operacionales (741) antes de que se les exija cualquier prestación.
- Gracias al alto valor capacitivo de C3, la tensión de referencia suministrada por IC1 sólo aparece gradualmente, de manera que no haya riesgo en la salida de la alimentación.
- Los diodos D1 y D8, localizados en diversas zonas del circuito, se incluyen para proteger contra la posibilidad de conexión accidental de una tensión externa a los terminales de salida de la fuente de alimentación cuando está desconectada. Por ejemplo, ello podría ocurrir bastante fácilmente cuando se trabaja con un circuito que tenga una reserva de batería incorporada.
- Los diodos D4 y D5, a la salida de IC2 y de IC3, constituyen una puerta OR discreta, que permite a los dos dispositivos trabajar de forma aislada o en conjunción.
- Los componentes R7 y C6 aumentan el tiempo de reacción del circuito cuando se cambian los niveles de tensión de salida.
- Los condensadores C7 y C8 eliminan la posibilidad de oscilación de los amplificadores operacionales.
- Para un funcionamiento estable del circuito, se requiere una resistencia de carga de salida mínima. Esta función es desempeñada por R22.
Compensación de pérdidas
Y para acabar, veamos el dispositivo de compensación de pérdidas, realizado con las líneas +US y -US. Estas entradas, denominadas «de sentido», se utilizan para permitir la compensación de la caída de tensión cuando se trabaja con largos cables de conexión entre la fuente de alimentación y su carga. En la figura 4 se ilustra cómo se emplean las entradas.
- Hay dos hilos adicionales que están conectados, como se indica, entre la carga y las entradas antes citadas.
- En consecuencia, el nivel de tensión de la alimentación se mide, ahora, efectivamente en la carga y no en los terminales de salida de la fuente. Ello permite que el circuito tenga una compensación por cualquier caída de tensión que resulte de la resistencia en los cables de la alimentación principal.
- Debe señalarse que, por ejemplo, si la resistencia total de los dos cables de alimentación principal es de 1 ohmio, al nivel de corriente de 1 A, la caída de tensión será de 1 voltio.
- En condiciones normales, y al no ser absolutamente indispensable este dispositivo en multitud de aplicaciones, se podrá sustituir conectando +US a +U y -US a -U. Si se dejara de efectuar esta conexión no ocurriría nada grave, puesto que R23 y R24 garantizan la reinyección de la información
Uen las líneas US.